J-0
00m
00j
00h
00min
00s

Version interactive avec LaTeX compilé

Banque PT Physique 1B PT 2003

Notez ce sujet en cliquant sur l'étoile
0.0(0 votes)
Logo banque-pt
2025_09_04_954b23db5f1b8dae3c64g

. Banque filière PT .

Epreuve de Physique I B


Durée 4 h
L'utilisation des calculatrices est autorisée.

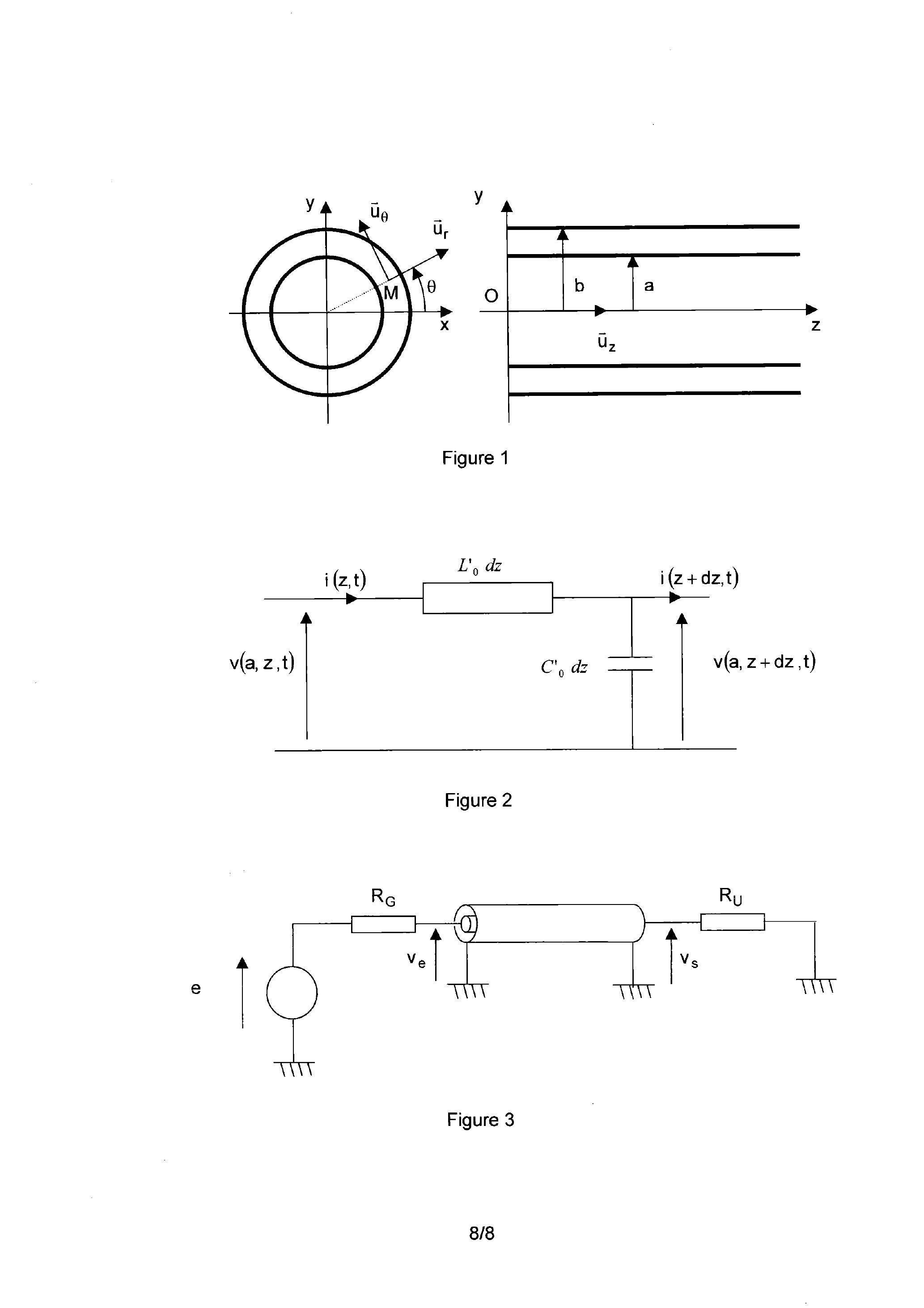
Câble coaxial

NB: Toutes les figures de ce sujet sont regroupées en fin d'énoncé.
Une ligne électrique est constituée d'un câble coaxial (voir figure 1 en dernière page). Dans tout le problème, les deux conducteurs du câble sont supposés creux, et assimilés à deux surfaces parfaitement conductrices, cylindriques, de sections circulaires et coaxiales (voir figure 1). Le conducteur intérieur, noté conducteur (1), a un rayon a; le conducteur extérieur, noté conducteur (2), a un rayon ; la longueur du câble est . On utilise le système de coordonnées cylindriques et un point est repéré par ; la base locale associée est alors (voir figure 1). L'espace entre les conducteurs contient un diélectrique linéaire, homogène et isotrope de permittivité relative , diélectrique qu'on peut donc assimiler au vide.
Pour les applications numériques on prendra: , . On posera : .
La longueur est assez grande pour que l'on puisse négliger les effets d'extrémités et assimiler les champs et potentiels à ceux produits par un cáble infiniment long.
On rappelle les expressions des opérateurs gradient, divergence et rotationnel en coordonnées cylindriques :
Pour et on :


Première partie : équilibre électrostatique et régime stationnaire.

I. 1 Equilibre électrostatique.

On suppose que les conducteurs sont en équilibre électrostatique et portent respectivement les charges électriques + Q et - Q uniformément réparties sur les surfaces des conducteurs de rayons a et b.
I.1.1. Rappeler les équations de Maxwell dans le vide.
I.1.2. Montrer que le champ électrostatique est radial et qu'il ne dépend que de , soit : .
I.1.3. Etablir l'expression de en fonction de et de constantes à déterminer en distinguant trois domaines à définir.
I.1.4. Le conducteur (1) est porté au potentiel et le conducteur (2) est porté au potentiel . Exprimer la différence de potentiel en fonction de , , a et b .
I.1.5. La capacité du condensateur formé par les deux conducteurs est le quotient de par la différence de potentiel ; déterminer en fonction de et . En déduire l'expression de la capacité du câble par unité de longueur.
I.1.6. Quelle est la densité volumique d'énergie électrostatique? En déduire l'énergie électrostatique emmagasinée par le câble et retrouver l'expression de .
I.1.7. Application numérique : calculer la valeur de .

I. 2 Régime stationnaire.

On utilise le câble coaxial pour alimenter une charge. Le conducteur (1) constitue le conducteur aller du courant électrique constant d'intensité (dans le sens de l'axe Oz). Le conducteur (2) est le conducteur retour de ce courant. La répartition du courant est superficielle et uniforme sur chaque conducteur creux. Les vecteurs courants surfaciques valent respectivement et .
I.2.1. Montrer que le champ magnétique est orthoradial et que sa valeur algébrique ne dépend que de , soit : .
I.2.2. Etablir l'expression de en distinguant trois domaines à définir. Tracer le graphe de .
I.2.3. Quelle est la densité volumique d'énergie magnétique? En déduire l'énergie magnétique emmagasinée par le câble .
I.2.4. Rappeler le lien entre l'énergie magnétique emmagasinée et l'inductance propre du câble coaxial ; en déduire l'expression de en fonction de , et , puis de l'inductance propre par unité de longueur .
1.2.5. Application numérique : calculer la valeur de
I.2.6. Que vaut le produit ?

Deuxième partie : régime variable

On se place dans le cadre de la théorie générale de l'électromagnétisme. La répartition des courants possède les propriétés suivantes : à un instant et à une abscisse donnés, on note l'intensité du courant à travers une section droite du conducteur (1) et - l'intensité du courant à travers une section droite du conducteur (2). Les vecteurs courants surfaciques sont respectivement et . La répartition des charges est encore de nature surfacique sur chacun des conducteurs, mais on utilise dans la suite, afin d'alléger l'étude, les charges par unité de longueur: pour le conducteur (1) et pour le conducteur (2). Ainsi, la charge portée, à l'instant , par le tronçon du conducteur (1) situé entre les cotes et vaut . Pour les champs électrique et magnétique ont la forme et . Ils seront supposés nuls en dehors de ce domaine. Le potentiel électrique a la forme et on prendra le conducteur (2) comme référence de potentiel, soit: .
Le potentiel vecteur a la forme ; on peut faire le choix : .

II.1. Etude à partir des équations de Maxwell.

NB: La sous-partie II. 2 et la partie III peuvent être étudiées sans avoir terminé le traitement de cette sous-partie II. 1 .
II.1.1. Que peut-on dire de la divergence du champ proposé ? Commenter.
II.1.2. Appliquer la forme intégrale de l'équation de Maxwell-Ampère sur un disque d'axe et de rayon compris entre et ; en déduire l'expression de en fonction de et de , sous la forme est une constante à déterminer.
II.1.3. A partir de la forme locale de l'équation de Maxwell-Ampère, exprimée pour , obtenir une relation notée entre une dérivée partielle de et une dérivée partielle de .
II.1.4. Appliquer la forme locale de l'équation de Maxwell-Faraday pour . En déduire une relation notée ( ) entre une dérivée partielle de et une dérivée partielle de .
II.1.5. Déduire des trois questions précédentes que l'intensité satisfait à une équation de d'Alembert que l'on établira (on pourra éliminer entre les équations ( ) et ( ) en utilisant le théorème de Schwartz). Préciser la vitesse le propagation.
II.1.6. Appliquer le théorème de Gauss à un cylindre d'axe Oz , de rayon et de longueur . En déduire l'expression de en fonction de et .
II.1.7 Appliquer le principe de conservation de la charge sur le cylindre précédent pendant l'intervalle de temps . En déduire une relation entre une dérivée de et une dérivée de .
II.1.8. Retrouver ce résultat à partir des questions précédentes (II.1.2 à II.1.6).
II.1.9 Etablir que satisfait à une équation de propagation.
II.1.10.a. Rappeler le lien entre v et .
b. Montrer que s'exprime à partir d'une dérivée partielle de .
II.1.11. A partir de la relation , établir une relation entre et . Montrer que cette relation correspond à une loi des mailles écrite entre et .
II.1.12. A partir de la relation , établir une relation entre et . Montrer que cette relation correspond à une loi des nœuds écrite à la cote .
II.1.13. Est-ce que l'Approximation des Régimes Quasi-Stationnaires est vérifiée? Pourquoi?
II.1.14. Exprimer le vecteur de Poynting pour en fonction de , et de constantes à déterminer.
On admet que et .
II.1.15. Quelle relation lie et c ?
II.1.16. Calculer la puissance moyenne P transportée par le câble. Pour et a donnés, la puissance par unité de surface de câble est fonction de . Tracer en fonction de . Quel critère a conduit selon vous au choix de la valeur numérique du rapport ? On rappelle que et .

II.2. Etude à partir d'un schéma équivalent. (voir figure 2 en dernière page)

On admet que la portion de câble comprise entre les plans de cotes très voisines z et peut être modélisée par le circuit de la figure 2. Elle possède une capacité entre les conducteurs et une inductance propre entre les sections d'entrée et de sortie.
II.2.1. Montrer que et (fonctions supposées de classe ) vérifient les relations suivantes :
et .
II.2.2. Retrouver que et vérifient une équation de propagation.
On admet que les solutions générales sont: et .
II.2.3. Interpréter les significations physiques des grandeurs d'indice 1 et 2 .
II.2.4. Montrer que :
et sont des constantes. est appelée résistance caractéristique du câble. Exprimer en fonction de , a et b . Calculer numériquement .

Troisième partie : Propagation de signaux.

III.1. Signaux sinusoïdaux.

Un générateur de tension impose un régime sinusoïdal forcé de pulsation dans le câble coaxial. Une résistance de charge est branchée en sortie du câble. Les grandeurs et introduites en II.2.3 deviennent des fonctions sinusoïdales de pour les grandeurs d'indice 1 , et de pour les grandeurs d'indice 2 . Dans toute la suite du problème, nous supposerons que les constantes et sont nulles.
Les grandeurs à l'entrée du câble sont notées avec l'indice e et les grandeurs à la sortie du câble avec l'indice :
et
On utilise la notation complexe et on pose . On écrit alors :
et sont des nombres complexes constants.
On utilisera les amplitudes complexes et de et telles que:
III.1.1. A l'entrée du câble, on note et à la sortie , . En éliminant et Trouver les deux fonctions et telles que:
III.1.2. En déduire l'impédance d'entrée en fonction de et .
III.1.3. Quelle est la valeur de qui rend indépendante de la pulsation?

III.2. Signaux impulsionnels. (voir figure 3 en dernière page)

Le câble coaxial est alimenté en entrée par un générateur de résistance interne (figure 3); II est branché en sortie sur une résistance de charge . Le fonctionnement du générateur est modélisé à l'aide d'une force électromotrice variable . Pour et pour .
III.2.1. a. En utilisant le lien entre les grandeurs de sortie et , montrer que: pour , où est une constante à déterminer.
b. Quelle est la signification physique de ?
c. En déduire que : .
d. Commenter physiquement cette dernière relation .
e. Calculer pour .
III.2.2. De même, en explicitant le lien entre les grandeurs d'entrée et et , montrer que : pour .
III.2.3. Tracer le graphe de pour les valeurs suivantes de : . Commenter.
III.2.4. On suppose et quelconques. Quel est le shéma électrique équivalent en régime établi ? Décrire qualitativement l'évolution de pendant le régime transitoire.
Figure 1
Figure 2
e
Figure 3
Banque PT Physique 1B PT 2003 - Version Web LaTeX | WikiPrépa | WikiPrépa