Version interactive avec LaTeX compilé
ÉPREUVE SPÉCIFIQUE - FILIÈRE PSI
PHYSIQUE - CHIMIE
Mercredi 2 mai : 8 h-12 h
N.B. : le candidat attachera la plus grande importance à la clarté, à la précision et à la concision de la rédaction. Si un candidat est amené à repérer ce qui peut lui sembler être une erreur d'énoncé, il le signalera sur sa copie et devra poursuivre sa composition en expliquant les raisons des initiatives qu'il a été amené à prendre.
N.B. : le candidat attachera la plus grande importance à la clarté, à la précision et à la concision de la rédaction. Si un candidat est amené à repérer ce qui peut lui sembler être une erreur d'énoncé, il le signalera sur sa copie et devra poursuivre sa composition en expliquant les raisons des initiatives qu'il a été amené à prendre.
Les calculatrices sont autorisées
Le sujet est composé de
parties, toutes indépendantes.
Les poids des différentes parties sont approximativement de et
.
Un document et des données sont disponibles en fin de sujet.
Les poids des différentes parties sont approximativement de
Un document et des données sont disponibles en fin de sujet.
MOTORISATION ET RESSOURCE ÉNERGÉTIQUE
La croissance de la demande énergétique pose des questions essentielles pour la sauvegarde de nos modes de vie et pour le développement durable de la planète. L'approvisionnement énergétique doit satisfaire, en temps réel et de la façon la plus écologique possible, une demande variable dans le temps et dans l'espace.
Ce problème s'intéresse au domaine du transport. Il a pour but d'étudier des solutions thermiques et électriques tant au niveau de la motorisation que de l'approvisionnement en énergie.
Partie I - Véhicule automobile thermique
Étude comparative des différents carburants
Les principaux combustibles automobiles sont :
- l'essence SP98 dont l'octane
est le principal constituant ; - le GPL (Gaz de Pétrole Liquéfié) constitué en proportion molaire d'environ
de propane et de butane . Une mole de GPL se compose ainsi de 0,5 mole de propane et de 0,5 mole de butane ; - le GNV (Gaz Naturel pour Véhicules) essentiellement constitué de méthane
.
Q1. Écrire les réactions de combustion d'une mole de ces hydrocarbures par le dioxygène de l'air qui aboutit à la formation de vapeur d'eau et de dioxyde de carbone.
Q2. Évaluer pour la combustion du méthane l'enthalpie de réaction
à 298 K . Commenter son signe.
Q3. Pour les combustions respectives d'une mole de GPL et d'une mole d'essence SP98, on a
et
. En déduire pour chacun de ces trois combustibles, l'énergie libérée par mole de
formée.
Q4. Le «bonus écologique», allègement de taxe accordé pour le GPL, est-il de nature à contribuer à limiter les émissions de
?

Figure 1 - Moteur PSA EB2
Ce moteur (figure 1), connu sous sa dénomination commerciale 1,2 Puretech, équipe en particulier les Peugeot 108, 208 et 2008, les Citroën C1, C3, C4 Cactus ainsi que la DS3.
Compte tenu de la faible proportion d'essence dans le mélange air-essence, celui-ci sera assimilé uniquement à l'air qu'il contient, lui-même considéré comme un gaz parfait diatomique.
Compte tenu de la faible proportion d'essence dans le mélange air-essence, celui-ci sera assimilé uniquement à l'air qu'il contient, lui-même considéré comme un gaz parfait diatomique.
Q5. Déterminer, à l'aide de la cylindrée et du rapport volumétrique de compression, les valeurs numériques exprimées en
des volumes
et
correspondant respectivement au point mort haut et au point mort bas.
Q6. Tracer dans un diagramme de Watt (pression en ordonnées, volume d'un des trois cylindres en abscisses) l'allure du cycle idéalisé, appelé cycle de Beau de Rochas et décrit dans le document. On veillera à faire figurer les points
et E .
Le cycle réel est un peu différent du cycle idéalisé. Expliquer, par une argumentation phrasée de moins de 50 mots, en quoi le cycle réel diffère du cycle idéal.
Le cycle réel est un peu différent du cycle idéalisé. Expliquer, par une argumentation phrasée de moins de 50 mots, en quoi le cycle réel diffère du cycle idéal.
Dans la suite du problème, le modèle adopté est celui du cycle idéal décrit à pleine puissance par le moteur EB2 et synthétisé dans le tableau 1.
| Point | A | B | C | D | E |
| P
|
1 | 1 | P
|
P
|
4 |
| V
|
40 | 440 | 40 | 40 | 440 |
| T
|
300 | 300 |
|
2820 | 1193 |
Tableau 1 - Cycle thermique du moteur EB2
Q7. Déterminer les valeurs manquantes:
.
Q8. Déterminer la valeur numérique du travail reçu par le gaz au cours de la compression BC .
Q9. Déterminer le transfert thermique reçu par le gaz au cours de l'explosion CD .
Q8. Déterminer la valeur numérique du travail
Q9. Déterminer le transfert thermique
Q10. On donne :
J et
. Déterminer la valeur numérique du rendement
du cycle*.
- On remarquera qu'il s'agit d'un rendement purement thermodynamique pour un cycle idéal. Il ne tient pas compte des considérations mécaniques. En pratique, le rendement global est moins bon et dépend fortement du point de fonctionnement (couple-vitesse) considéré. Ce résultat permet néanmoins de comparer des cycles et de poser des limites.
Q11. Reconstruire l'expression du rendement d'un cycle de Carnot dont les températures extrémales sont:
pour la source froide et
pour la source chaude. Comparer le rendement
trouvé précédemment avec celui d'un cycle de Carnot pour lequel
et
. Conclure.
Q12. Ce cycle est-il compatible avec la puissance maximale de 82 ch à
annoncée par le constructeur. On remarquera qu'il faut deux tours de vilebrequin pour effectuer un cycle thermodynamique.
Q13. On supposera que ce cycle correspond aussi à celui décrit par une Peugeot 108 lors d'une utilisation autoroutière effectuée à la vitesse stabilisée de
, le moteur tournant alors au régime de
.
Évaluer dans ces conditions d'utilisation la consommation d'essence exprimée en L/100 km, ainsi que le rejet de exprimé en
. Commenter.
Évaluer dans ces conditions d'utilisation la consommation d'essence exprimée en L/100 km, ainsi que le rejet de
Approvisionnement en carburant
L'essence est stockée dans un réservoir dont la contenance est d'environ 40 litres à la pression atmosphérique
. Une pompe à essence assure un écoulement permanent de l'essence dans des durites de 6 mm de diamètre. La pression en sortie de pompe vaut:
, avec
bars. Le débit volumique est de l'ordre de
. Ces durites alimentent en permanence les injecteurs qui assurent le besoin en carburant du véhicule. Le surplus, non injecté dans les cylindres, retourne dans le réservoir.
Q14. L'écoulement dans les durites est-il laminaire ou non ? Le profil de vitesse du fluide, à travers une section droite de durite, est-il uniforme ou parabolique ?
Q15. Évaluer, en justifiant au mieux votre modèle, la puissance de la pompe à essence.
Partie II - Traction ferroviaire
Les motrices électriques circulent sur des voies parfaitement définies par les rails. L'approvisionnement en énergie électrique peut être satisfait, à la demande, au moyen d'un dispositif du type caténaire-pantographe. Les pantographes, doublés d'archets en carbone, assurent la jonction électrique entre la motrice et la caténaire (figure 2).

Figure 2 - Dispositif caténaire-pantographe
La caténaire est constituée d'un câble de cuivre pur, tendu et soutenu par un câble porteur (figure 3).

Figure 3 - Câble porteur et caténaire
Ce dispositif fonctionne correctement si le contact électrique caténaire-pantographe n'est pas rompu par les ondes mécaniques (figure 4) que le pantographe génère sur la caténaire.

Figure 4 - Ondes mécaniques sur la caténaire
Q16. Quelle doit être la tension mécanique minimale de la caténaire pour assurer un bon captage du courant à la vitesse de
.
On s'attachera à décrire, dans un premier temps, par une argumentation phrasée de moins de 50 mots, le phénomène physique mis en jeu. Les mots clés seront soulignés. Une réponse quantitative est attendue dans un second temps. Elle s'appuiera sur les résultats obtenus en cours dont les démonstrations ne sont pas demandées ici.
On s'attachera à décrire, dans un premier temps, par une argumentation phrasée de moins de 50 mots, le phénomène physique mis en jeu. Les mots clés seront soulignés. Une réponse quantitative est attendue dans un second temps. Elle s'appuiera sur les résultats obtenus en cours dont les démonstrations ne sont pas demandées ici.
Q17. Pourquoi les TGV sont-ils contraints de réduire leur vitesse lors de fortes canicules ? Une réponse qualitative de moins de 30 mots est attendue. Les mots clés seront soulignés.
Partie III - Véhicule électrique et pile à hydrogène
La voiture électrique alimentée au moyen d'une pile à hydrogène est une alternative au véhicule thermique. Elle devrait pouvoir limiter les rejets de
sans compromettre l'autonomie.
Conception d'une pile à hydrogène au laboratoire
On peut facilement réaliser au laboratoire une pile à combustible décrite par l'écriture conventionnelle:
. Cette pile possède deux électrodes de platine. Un pont salin contenant de l'acide sulfurique (
) relie les compartiments anodique et cathodique. Le dihydrogène et le dioxygène sont les réactifs.
Q18. Faire un schéma de cette pile à hydrogène, sur lequel vous indiquerez la polarité à l'aide des symboles + et - ainsi que le type d'électrodes, anode et cathode.
Q19. Écrire également les deux demi-équations qui se produisent à chacune des électrodes, ainsi que l'équation bilan de fonctionnement de la pile.
Utilisation par un véhicule électrique
Dans le cadre de cette utilisation, le dihydrogène arrive en continu sous une pression de 1 bar. L'oxygène provient de l'air à pression ambiante de 1 bar. La température de fonctionnement de la pile est de
.
La pile globale est un ensemble de piles élémentaires montées en série qui doit pouvoir délivrer une tension de 150 V et dont la puissance maximale est de 60 kW .
La pile globale est un ensemble de piles élémentaires montées en série qui doit pouvoir délivrer une tension de 150 V et dont la puissance maximale est de 60 kW .
Q20. En négligeant les chutes de tension anodique, cathodique ainsi que celle liée à la résistance interne de la pile, combien de piles doivent être montées en série ? Quel est le débit molaire maximum en
?
Q21. Quelle doit être la taille du réservoir de stockage en dihydrogène, à température ambiante (
), pour pouvoir effectuer en autonomie un parcours nécessitant une demande énergétique correspondant à une puissance moyenne 30 kW pendant 6 heures. Le réservoir de stockage est pressurisé à 350 bars et muni d'un détenteur pour une sortie à 1 bar. Commenter.
Production industrielle du dihydrogène
Le dihydrogène est généralement produit par vaporeformage du gaz naturel. La réaction chimique principale est catalysée par le nickel (Ni). Son équation bilan notée (a), est la suivante :
À l'entrée du réacteur, le mélange gazeux contient uniquement du méthane et de l'eau. Le méthane est la substance économiquement coûteuse de cette synthèse.
Q22. Évaluer la variance de ce système. Sur quel(s) paramètre(s) peut-on jouer pour optimiser cette synthèse ?
La figure 5 donne graphiquement l'évolution de la constante d'équilibre
de la réaction (a) en fonction de la température.

Figure 5 - Évolution de
avec la température
Q23. Discuter des effets d'une augmentation de la température et de la pression sur la position de l'équilibre chimique, puis justifier les conditions opératoires (
et 25 bars) de cette synthèse. L'ajout de nickel permet-il d'améliorer le rendement?
Conversion de puissance et alimentation d'un véhicule électrique
Les véhicules électriques sont généralement motorisés par des machines synchrones autopilotées. Dans cette sous-partie, on ne s'intéresse qu'à l'alimentation électrique d'une phase de la machine par l'intermédiaire d'un onduleur de tension.
Un calculateur, qui a pour entrées le couple demandé, le courant de phase, la vitesse et la position du rotor, élabore la tension de consigne à appliquer à chaque phase.
Un calculateur, qui a pour entrées le couple demandé, le courant de phase, la vitesse et la position du rotor, élabore la tension de consigne
Dans la partie commande-contrôle de la machine on utilise la tension réduite
où
est une constante.
L'onduleur de tension (figure 6) à Modulation de Largeur d'Impulsion, qui alimente une phase de la machine, possède quatre interrupteurs électroniques. Il est relié en entrée à la source de tension continue E (batterie).
Une électronique de commutation découpe cette tension E à haute fréquence ( ) pour générer la tension
. Sa valeur moyenne sur un faible intervalle de temps (quelques périodes de découpage) correspond à la tension de consigne
qui évolue lentement au cours du temps (à une fréquence bien inférieure à la fréquence de découpage :
).
Une électronique de commutation découpe cette tension E à haute fréquence (

Figure 6 - Onduleur de tension
Pour obtenir la loi de commande des interrupteurs de l'onduleur, on compare (figure 7) la tension réduite,
, à un signal triangulaire symétrique, noté
, de fréquence de découpage
, dont l'amplitude varie entre -1 V et +1 V :
- lorsque
, les interrupteurs et sont fermés et les interrupteurs et sont ouverts ; - lorsque
, les interrupteurs et sont fermés et les interrupteurs et sont ouverts.

Figure 7 - Signaux pour l'élaboration du signal
Q24. Pourquoi ne voit-on pas évoluer la tension
sur le chronogramme précédent ?
Q25. Dessiner, sur quelques périodes de découpage, l'allure de la tension
pour une tension réduite
.
Q26. Quelle valeur faut-il donner au coefficient , tel que
, pour que la valeur moyenne de
, sur l'intervalle
, corresponde à la tension de consigne
?
Q26. Quelle valeur faut-il donner au coefficient
Génération du signal
La génération de la tension
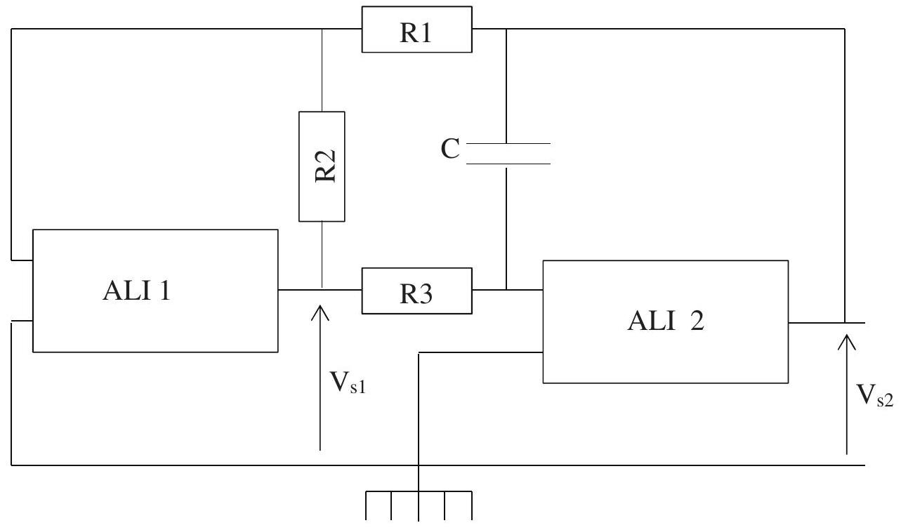
se fait au moyen du système bouclé (figure 8) qui se compose d'un comparateur à hystérésis et d'un intégrateur.
R1, R2, R3 sont les résistances des trois conducteurs ohmiques respectifs et C est la capacité du condensateur.
R1, R2, R3 sont les résistances des trois conducteurs ohmiques respectifs et C est la capacité du condensateur.

Figure 8 - Générateur de tension triangulaire
Dans cette sous-partie, les Amplificateurs Linéaires Intégrés (ALI) sont supposés de gain infini et ont des impédances d'entrées infinies, une impédance de sortie nulle et une tension de saturation
.
Q27. Isoler l'étage comparateur à hystérésis. Le reproduire sur une figure sur votre copie où vous indiquerez les bornes inverseuse (-) et non inverseuse (+) de l'ALI qu'il contient. Identifier l'entrée et la sortie de cet étage.
Q28. Représenter l'allure du cycle
en fonction de
du montage comparateur à hystérésis précédent. Donner une justification du sens de parcours du cycle, ainsi que les expressions des tensions de basculement faisant intervenir
et les valeurs des impédances des composants électroniques.
Q29. Isoler l'étage intégrateur. Le reproduire dans une figure sur votre copie où vous indiquerez les bornes inverseuse (-) et non inverseuse (+) de l'ALI qu'il contient. Identifier l'entrée et la sortie de cet étage.
Q30. Déterminer, en fonction des valeurs littérales des composants, l'équation différentielle qui lie dans le domaine temporel l'entrée et la sortie du montage intégrateur.
Q31. Préciser les contraintes sur les composants du montage global qui permettent d'imposer, pour la tension
, une amplitude crête à crête de 2 V (de -1 V à 1 V ) et une fréquence de 10 kHz .
Q32. En pratique, les ALI comportent cinq connexions. À quoi correspondent les deux autres connexions non représentées de chacun des ALI ?
Document - Principe du moteur à quatre temps
Dans un moteur multicylindre à 4 temps, le volant est relié à un vilebrequin qui assure le synchronisme du fonctionnement des pistons des différents cylindres. Les soupapes non représentées sur la figure ci-dessous sont commandées par des cames entraînées par le volant moteur.

Position du piston au point mort haut (PMH) :

Position du piston au point mort bas (PMB) :
temps : admission
Il y a ouverture de la soupape d'admission. La rotation du volant entraîne avec la bielle l'abaissement du piston du point mort haut au point mort bas. La dépression produite aspire dans le cylindre le mélange air-essence. Il y a ensuite fermeture de la soupape d'admission.
temps : compression
Pendant cette phase, la rotation du volant fait remonter le piston dans le cylindre jusqu'au point mort haut. Cette compression échauffe le mélange.
temps : explosion et détente
La bougie d'allumage crée une étincelle qui provoque l'explosion, responsable d'une augmentation de la pression. Ensuite, le gaz se détend. En fin de détente, le piston est au point mort bas.
temps : échappement
Il y a ouverture de la soupape d'échappement. La rotation du volant entraîne la remontée du piston jusqu'au point mort haut, ce qui chasse les gaz brûlés vers l'extérieur.
Cycle de Beau de Rochas
AB : admission isobare et isotherme du mélange air-essence,
BC : compression adiabatique réversible,
CD : compression isochore,
DE: détente adiabatique réversible,
EB : refroidissement isochore,
BA : échappement isobare et isotherme.
BC : compression adiabatique réversible,
CD : compression isochore,
DE: détente adiabatique réversible,
EB : refroidissement isochore,
BA : échappement isobare et isotherme.
| Données | ||||||||
| Grandeurs chimiques | Caractéristiques techniques du moteur PSA EB2 | |||||||
| Enthalpies standards de formation à 298 K : | Architecture: 3 cylindres en ligne. | |||||||
| Corps |
|
|
|
Puissance maximale : 82 ch à
|
||||
|
|
-74,8 | -241,8 | - 393,5 |
|
||||
|
On rappelle que la cylindrée d'un moteur à combustion interne correspond au volume d'air aspiré par l'ensemble des cylindres du moteur lors un cycle. | |||||||
|
Caractéristiques d'une Peugeot 108 équipée du moteur EB2 | |||||||
| M en g.
|
1 | 12 | 16 |
|
||||
| Potentiels standards des couples de l'eau à 298 K et supposés encore vrais à 348 K : | Rejet moyen de
|
|||||||
| Conversion d'unité, masse volumique et viscosité du carburant essence SP98 | ||||||||
|
||||||||
| Constantes physiques |
|
|||||||
|
||||||||
| Caractéristiques d'une caténaire | ||||||||
| Composition molaire de l'atmosphère | Masse volumique du cuivre :
|
|||||||
| Hauteur d'une caténaire :
|
||||||||
| Données thermodynamiques | Longueur d'un tronçon de caténaire : | |||||||
|
|
||||||||
| Relation de Mayer :
|
Intervalle de températures de fonctionnement ordinaire d'une caténaire :
|
|||||||
| Rapport des capacités thermiques pour un mélange air-essence :
|
||||||||
| température ) :
|
||||||||
