J-0
00m
00j
00h
00min
00s

Version interactive avec LaTeX compilé

Mines Physique 1 PSI 2006

Notez ce sujet en cliquant sur l'étoile
0.0(0 votes)
Logo mines
2025_09_04_a87dcb3ee9cb880061adg

A 2006 PHYS. I PSI

ÉCOLE NATIONALE DES PONTS ET CHAUSSÉES, ÉCOLES NATIONALES SUPÉRIEURES DE L'AÉRONAUTIQUE ET DE L'ESPACE, DE TECHNIQUES AVANCÉES, DES TÉLÉCOMMUNICATIONS, DES MINES DE PARIS, DES MINES DE SAINT-ÉTIENNE, DES MINES DE NANCY, DES TÉLÉCOMMUNICATIONS DE BRETAGNE, ÉCOLE POLYTECHNIQUE (FILIÈRE TSI)

CONCOURS D'ADMISSION 2006

PREMIERE ÉPREUVE DE PHYSIQUE

Filière PSI

(Durée de l'épreuve : heures) L'usage de la calculette est autorisé
Sujet mis à disposition des concours : ENSTIM, INT, TPE-EIVP
Les candidats sont priés de mentionner de façon apparente sur la première page de la copie :

PHYSIQUE I - PSI

L'énoncé de cette épreuve comporte 8 pages.
  • Si, au cours de l'épreuve, un candidat repère ce qui lui semble être une erreur d'énoncé, il le signale sur sa copie et poursuit sa composition en expliquant les raisons des initiatives qu'il est amené à prendre.
  • Il ne faudra pas hésiter à formuler les commentaires (incluant des considérations numériques) qui vous sembleront pertinents, même lorsque l'énoncé ne le demande pas explicitement. Le barème tiendra compte de ces initiatives ainsi que des qualités de rédaction de la copie.
Notations : vecteur (gras); norme du vecteur (italique); vecteur unitaire .

ÉNERGIE HYDRAULIQUE

On étudie le principe de fonctionnement d'une microcentrale hydraulique. Ce type de centrale permet une production souple et une adaptation rapide en période de pointe.
L'épreuve comprend trois problèmes indépendants entre eux, et que l'on pourra traiter dans l'ordre de son choix.
Dans toute l'épreuve, exprimer signifie donner l'expression littérale et calculer signifie donner la valeur numérique.

Description

La centrale est alimentée par une conduite d'eau cylindrique de diamètre constant , dite conduite forcée, issue du barrage (Fig. 1). La capacité de ce barrage est suffisamment importante pour que l'on considère l'eau qu'il contient comme immobile. L'extrémité aval de la conduite, notée A, est reliée à une tubulure de section décroissante, appelée injecteur.
L'axe vertical repérant l'altitude est orienté vers le haut. L'altitude du point A est, par convention, nulle ; on note la dénivellation entre la surface libre de l'eau et l'axe de l'injecteur et la différence de niveau entre l'entrée de la
conduite et la sortie, en A (la différence de niveau entre la surface libre et l'entrée de la conduite est donc ). L'eau est considérée comme un fluide parfait, incompressible et de masse volumique ; elle sort de l'injecteur à l'air libre, sous la pression atmosphérique , supposée indépendante de l'altitude. Le jet est cylindrique d'axe horizontal et de section circulaire de diamètre dans la conduite puis dans l'injecteur. Ce jet frappe la turbine et l'anime d'un mouvement de rotation. On considère les écoulements comme permanents et irrotationnels. On néglige tout frottement. On néglige les variations avec l'altitude de l'accélération de la pesanteur .
Fig. 1 - Retenue et conduite forcée pour installation hydroélectrique. L'injecteur, en , est schématisé dans le rectangle en pointillés.
Données: et .

I - Conduite forcée

- Dans cette question - et dans cette question seulement - on suppose que l'extrémité aval de la conduite n'est pas reliée à l'injecteur; l'eau sort à l'air libre
Montrer qu'au-delà d'une certaine altitude, à préciser, ce modèle de pression n'est plus applicable. Le phénomène qui intervient alors (cavitation) engendre toutes au point A. En justifiant l'utilisation de la relation de Bernoulli entre le point et un point quelconque de la canalisation et en considérant la conservation du débit, exprimer la pression à l'intérieur de la conduite sous la forme
Calculer .
La pression de vapeur saturante de l'eau à la température ambiante est .
sortes de perturbation (attaque des matériaux, bruits ...).
  • 2 - Pour pallier cet inconvénient, on visse en A sur la partie finale horizontale de la conduite un injecteur (encart de la Fig. 1) de section décroissante et de diamètre de sortie . Montrer que la vitesse en sortie de l'injecteur, notée , est (relation de Torricelli). Calculer .
Établir que la vitesse en A est .
乙 3 - Exprimer la pression à l'intérieur de la conduite munie d'injecteur. On admet que l'entrée de la conduite est pratiquement à l'altitude . Montrer que les phénomènes de cavitation disparaissent dans toute la conduite si est inférieur à un certain dont on établira l'expression en fonction de , et . Vérifier que .
- Le diamètre de sortie de l'injecteur est . La vitesse du jet mesurée en sortie de l'injecteur est . A quelle dénivellation, notée , cette vitesse correspondrait-elle? Exprimer et calculer le coefficient de contraction . Donner quelques raisons de l'écart à l'unité de ce coefficient.
. 5 - Exprimer et calculer le débit volumique de l'injecteur sans pertes, puis le débit massique (en litres par seconde) en fonction de , de et de . Exprimer et calculer la puissance cinétique réelle du jet en sortie (énergie cinétique par unité de temps, pour la vitesse de sortie et le débit associé ).
-6 - Justifier que l'on nomme puissance potentielle la quantité . Exprimer et calculer le rendement de la conduite en fonction de .

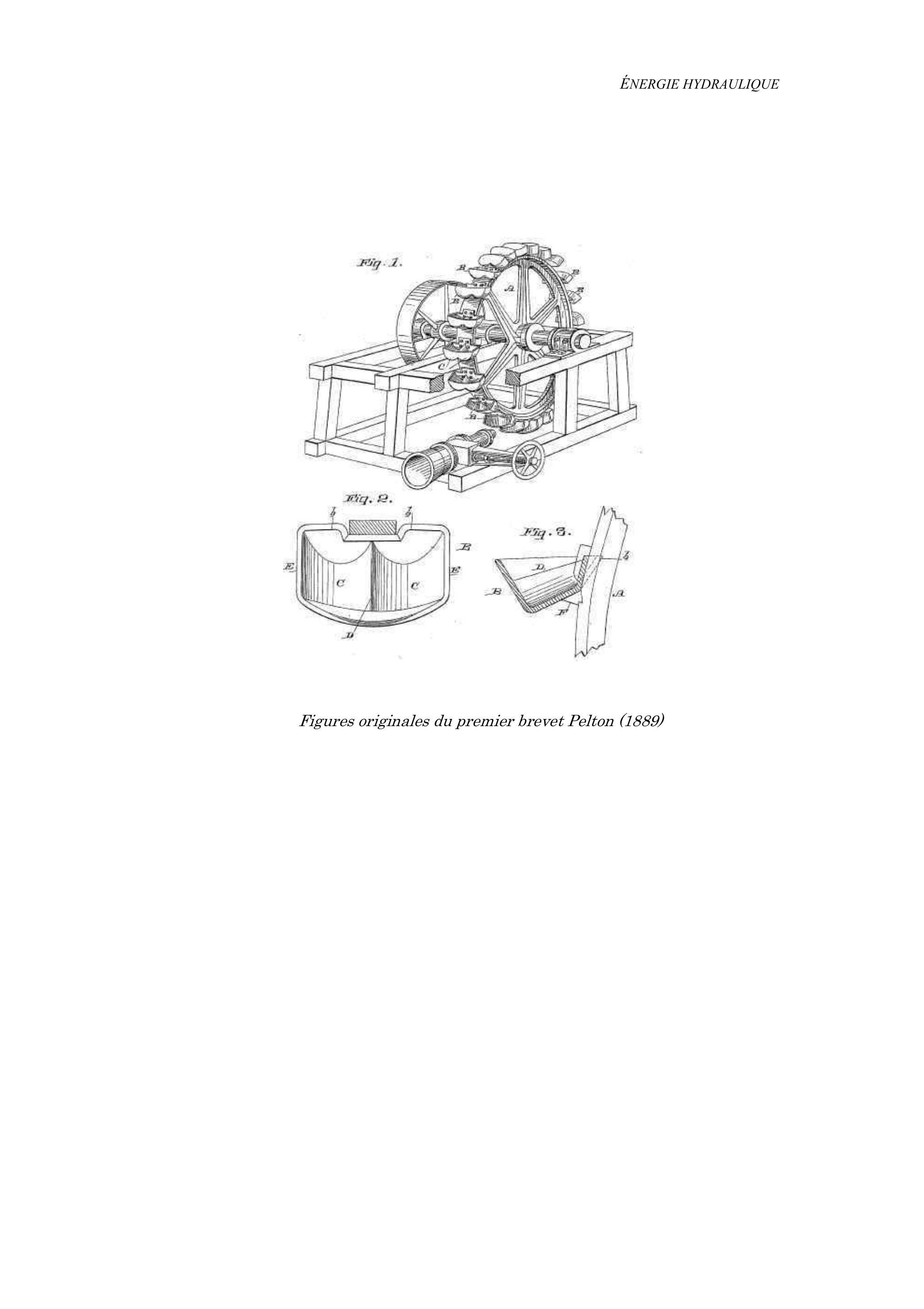
II-Étude de la turbine Pelton

La turbine Pelton est constituée par une roue munie d'augets. Un auget Pelton est une sorte de double godet avec une cloison au milieu (penser à deux coquilles de noix contiguës), qui dédouble le jet en deux parties identiques (Fig. 2). Les deux parties s'écoulent latéralement. L'eau, en provenance d'un injecteur identique à celui du paragraphe précédent, est propulsée sur ces augets et met la roue en mouvement. La vitesse du jet d'eau, de section , est notée . La section de chacun des deux demi-jets est . On néglige l'effet de la pesanteur sur les jets.
- Quel intérêt y a-t-il à dédoubler le jet qui heurte l'auget?
Le référentiel du laboratoire, , est galiléen; on note le référentiel lié à l'auget frappé par le jet. La Fig. 3 présente schématiquement les paramètres de fonctionnement d'une turbine Pelton. Le rayon du rotor est suffisamment grand
pour que l'on puisse assimiler le déplacement des augets, dans , à une translation suivant l'axe dans la zone d'action du jet. Sous l'action du jet, de l'air et de la force du bâti, l'auget se déplace donc à la vitesse uniforme .
Fig. 2 - A gauche : auget Pelton, injecteur et turbine ; à droite : portion de turbine.
Fig. 3 - Portion de roue et un auget ; les vitesses sont représentées dans {L} ; Dans le référentiel lié à l'auget, la vitesse du jet incident serait .
  • 8 - Justifier que l'écoulement est permanent dans . Exprimer, dans , d'une part la vitesse du jet incident, notée , d'autre part celle des jets déviés dans la direction opposée à celle du jet incident, notée . On suppose bien entendu que la puissance du jet est conservée. Quel est le sens physique de la quantité ?
    En considérant un système fermé de fluide, évaluer dans , la variation de quantité de mouvement du fluide entre les instants et , en fonction de et . En déduire la composante selon de la force du bâti sur l'auget en fonction de et du débit volumique du jet dans ; remarquer que de la question 5 , débit réel.
    Et maintenant, une subtilité : si l'auget était unique, une partie de la puissance du jet serait perdue en raison de l'éloignement de l'injecteur et du volume croissant du jet ; en réalité, placé sur le bâti en rotation, l'auget en question est remplacé par l'auget suivant et tout se passe comme si les augets étaient placés à distance fixe de l'injecteur ... tout en se déplaçant à la vitesse u. Pour exprimer le couple du jet sur le rotor, il est donc acceptable de remplacer par . Exprimer dans ces conditions.
    - Déterminer la puissance mécanique reçue par le rotor dans . Le jet apporte une puissance cinétique (cf. question 5); définir et calculer le rendement de la turbine en fonction de et . Pour quelle valeur de le rendement est-il maximum? Calculer ce rendement maximum.
    - Quelle est alors, pour ce rendement maximal, la vitesse de sortie de l'eau dans le référentiel ? En déduire la puissance cinétique de l'eau sortant de la turbine. Commenter le résultat obtenu d'un point de vue énergétique.
Photo 1 - Une roue grandeur nature.
- Le rotor tourne à la vitesse angulaire de 750 tours par minute et la vitesse de sortie du jet vaut . Calculer le rayon du rotor pour atteindre le rendement maximum. Le résultat est-il réaliste ? Pour un débit de 1500 litres par seconde, calculer la puissance maximale .
Le rendement réel de la turbine est égal à 0,87 . Calculer la puissance réelle de la turbine. Quelles sont les raisons permettant d'expliquer pourquoi on n'atteint pas le rendement maximum?

III- Étude de l'alternateur

La turbine, dont les caractéristiques sont identiques à celles de la partie II, entraîne le rotor d'un alternateur à la vitesse angulaire tours par minute . Ce rotor est assimilé à une bobine

alimentée par un courant continu créant un champ magnétique tournant bipolaire (deux pôles magnétiques). Le stator est constitué de trois enroulements identiques et décalés l'un par rapport à l'autre de . On note le vecteur unitaire de l'axe porté par la bobine . On admet que le flux de à travers chacune des trois bobines
est sinusoïdal : , avec .
Le champ B est donc dirigé selon , porté par l'axe à l'instant initial . La convention d'orientation des bobines du stator est définie par les vecteurs correspondant à positif.
- Déterminer les forces électromotrices et dans les trois enroulements. Exprimer leur valeur efficace commune en fonction de .
- À quelle vitesse angulaire le rotor devrait-il tourner pour que l'on puisse coupler directement cet alternateur au réseau EDF ? Montrer que cela est hors de question, ne serait-ce que parce que la vitesse de translation de chaque auget serait supérieure à la vitesse de l'eau du jet.
Fig.4-Stator de l'alternateur, ; la phase à du flux traversant la bobine i est .
  • 17 -Quelle modification faudrait-il apporter au rotor, de taille donnée, pour réaliser le couplage avec le réseau?
    - Les trois enroulements ont une borne commune N, appelée neutre (Fig. 5). Les trois autres bornes, appelées phases, sont reliées par des fils identiques de résistance à une charge formée de trois impédances identiques montées en étoile. L'impédance équivalente à l'association série ( ) est notée . Le neutre est relié au centre O de l'étoile par un fil de résistance . On suppose d'abord que est négligeable. Exprimer en notation complexe les intensités et dans chacune des impédances. En déduire l'expression du courant dans le fil ON. Quel est l'avantage de ce montage par rapport à un montage où les impédances seraient reliées indépendamment à chaque enroulement (sans neutre) ?
Fig. 5 - Symboles et conventions pour enroulement et charge triphasés.
19-On ne néglige plus la résistance . Exprimer les relations liant chacune des intensités et à et à . En déduire la nouvelle expression de . Commenter le résultat et exprimer les courants et dans chacune des phases.
  • 20 - Exprimer la puissance électrique moyenne fournie par l'alternateur, en fonction de et . La turbine fournit une puissance de , le rendement de l'alternateur est égal à et ; calculer le .
  • 21 - Chaque bobine induit au niveau du rotor le champ magnétique uniforme : , où est une constante positive. Exprimer le champ magnétique résultant , en séparant les calculs des composantes selon et selon . Quelles sont les caractéristiques de ce champ magnétique (axe, sens et vitesse angulaire de la rotation) ? Exprimer en particulier l'angle qu'il fait avec le champ magnétique du rotor.
    La bobine du rotor peut être représentée par son moment magnétique . Préciser la direction de ce moment magnétique. Exprimer le couple exercé par le champ magnétique induit sur la bobine. Exprimer la puissance reçue par le rotor. En considérant un bilan de puissance, retrouver que la puissance électrique est proportionnelle à .
FIN DU PROBLÈME
FIN DE L'ÉPREUVE


Figures originales du premier brevet Pelton (1889)
Mines Physique 1 PSI 2006 - Version Web LaTeX | WikiPrépa | WikiPrépa